切换导航
首页
产品中心
定制无刷电机
高压无刷风机
燃气具风机
中压大流量风机
其它定制类
定制中心
技术支持
关于我们
公司简介
加入我们
企业动态
联系我们
English
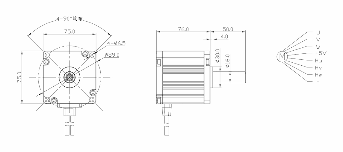
NXK70 series
无刷直流电机
立刻购买
应用领域
自动化设备、纺织机械
产品特点
高转速、高效率,小体积,可定制生产
技术参数
尺寸/接线图
相关产品
NXK30 series
NXK76 series
NXK80 series
NXK90 series
NXK100 series
">