切换导航
首页
产品中心
定制无刷电机
高压无刷风机
燃气具风机
中压大流量风机
其它定制类
定制中心
技术支持
关于我们
公司简介
加入我们
企业动态
联系我们
English
NXK65 series
6.5 英寸混合气体加热系统风机
立刻购买
应用领域
通风/排烟、牙科医疗设备、护理设备
壁挂炉、锅炉水加热等各类气体加热装置及食品处理设备
产品特点
低噪音,高效节能,信号反馈,转速调控,驱动内置
100%校准及工厂出厂检测
性能曲线图
技术参数
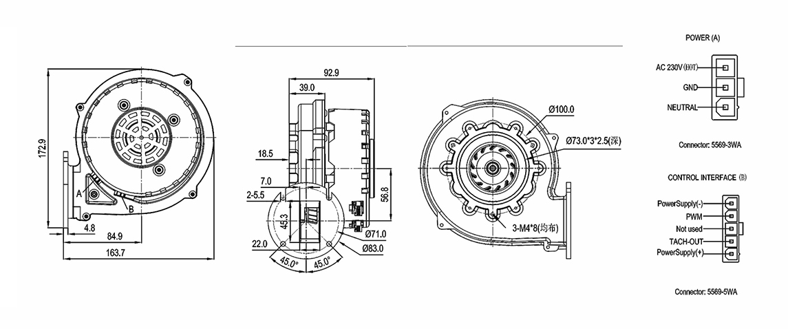
尺寸/接线图
相关产品
NXK80 series
NXK83 series